Self Studies

Engineering Mechanics Test 2

Result Self Studies

Engineering Mechanics Test 2
  • Score

    -

    out of -
  • Rank

    -

    out of -
TIME Taken - -
Self Studies

SHARING IS CARING

If our Website helped you a little, then kindly spread our voice using Social Networks. Spread our word to your readers, friends, teachers, students & all those close ones who deserve to know what you know now.

Self Studies Self Studies
Weekly Quiz Competition
  • Question 1
    2 / -0.33
    A car crashes against a wall. The initial velocity at collision is 15 m/sec and the velocity after collision is 2.6 m/sec in the opposite direction. The mass of the car is 1500 kg. What is the average force exerted on the automobile bumper if collision lasts for 0.15 seconds.
    Solution

    Concept:

    Impulse (I): It is defined as the integral of force with respect to time. It is a vector quantity. Or it is also defined as a change in the linear moment (P) with respect to time.

    I = F  × dt = ΔP 

    According to Newton's second law, the Force can be defined as a moment per time.

      \({\bf{F}} = \frac{{{\bf{d}}\left( {{\bf{mv}}} \right)}}{{{\bf{dt}}}}\)

    This is known as the Impulse momentum equation.

    where, m = mass of body, v = relative velocity

    Calculation:

    Given:

    m = 1500 kg, v1 = 15 m/s, v2 = 2.6 m/s, t = 0.15 s

    Therefore, \(F=\frac{1500\times (15-(-2.6))}{0.15}=\frac{1500\times17.6}{0.15}=1.76\times10^5~N\)

  • Question 2
    2 / -0.33

    If the coefficient of kinetic friction between block B and floor is 0.2, what is acceleration of system, in m/s2, as shown in figure, is _____ (Take g = 10 m/s2 , B = 1500 N and A = 1000 N)

    Solution

    Concept:

    FBD of Body A

    B = 1500 N

    A = 1000 N

    ∑Fy = ma

    \(1000 - T = \frac{{1000}}{{10}}a\)     ---(1)

    FBD of Body B,

    ∑Fx = ma

    \(T - \mu N = \frac{{1500}}{{10}}a\)      ---(2)

    ∑Fy = 0

    ∴ N = W = 1500 N

    Now,
    Using equation (1) and (2)

    1000 – T = 100 a

    And T – (0.2 × 1500) = 150 a

    Adding,

    1000 – 300 = 250 a

    \(\therefore \frac{{700}}{{250}} = a\)

    ∴ a = 2.8 m/s2

  • Question 3
    2 / -0.33

    A body moves with a speed of 10 m/s in the curved path of 25 m radius of curvature. If the tangential acceleration is 3 m/s2, then total acceleration for the body will be:

    Solution

    CONCEPT:

    Centripetal Acceleration (ac): 

    • Acceleration acting on the object undergoing uniform circular motion is called centripetal acceleration.
    • It always acts on the object along the radius towards the center of the circular path.
    • The magnitude of centripetal acceleration,


  • Question 4
    2 / -0.33

    A 1kg block is resting on a surface with co effcient of friction, µ = 0.1. A force of 0.8N is applied to the block as shown in figure. The friction force in Newton is

    Solution

    Concept:

    The friction force is given by:

    f = μN

    where μ is the coefficient of friction between the surfaces in contact, N is the normal force perpendicular to friction force.

    Calculation:

    Given:

    μ = 0.1, m = 1 kg, F = 0.8 N

    Now, we know that

    From the FBD as shown below

    Normal reactionN = mg = 1 × 9.81 = 9.81 N

    Limiting friction force between the block and the surface, f = μN =  0.1 × 9.81 = 0.98 N

    But the applied force is 0.8 N which is less than the limiting friction force.

    ∴ The friction force for the given case is 0.8 N.

  • Question 5
    2 / -0.33

    During inelastic collision of two particles, which one of the following is conserved ?

    Solution

    Explanation:

    • Momentum is conserved in all collisions.
    • In elastic collision, kinetic energy is also conserved.
    • In inelastic collision, kinetic energy is not conserved. In perfectly inelastic collision, objects stick together after collision.

    Perfectly elastic collision:

    If law of conservation of momentum and that of kinetic energy hold good during the collision.

    Inelastic collision:

    If law of conservation of momentum holds good during collision while that of kinetic energy is not.

    Coefficient of restitution (e)

    • For perfectly elastic collision, e = 1
    • For inelastic collision, e < 1
    • For perfectly inelastic collision, e = 0
  • Question 6
    2 / -0.33

    The CG of a semicircular plate of 66 cm diameter, from its base, is

    Solution

    Concept:

    The CG of a semicircular plate of  r radius, from its base, is

  • Question 7
    2 / -0.33
    A bullet of mass 1 kg if fired with a velocity of u m/s from a gun of mass 10 kg. The ratio of kinetic energies of bullet and gun is
    Solution

    Momentum conservation:

    mu = MV

    \(\frac{V}{u}=\frac{m}{M}\)

    The ratio of kinetic energies of bullet and gun is:

    \(\frac{K.E_b}{K.E_g}=\frac{\frac{1}{2}mu^2}{\frac{1}{2}MV^2}=\frac{mu^2}{MV^2}=\frac{m}{M}(\frac{M}{m})^2=\frac{M}{m}=10\)

  • Question 8
    2 / -0.33

    A particle starts from rest and moves in a straight line whose equation of motion is given by S = 2t3 - t2 - 1. The acceleration of the particle after one second will be-

    Solution

  • Question 9
    2 / -0.33
    The moment of inertia of a hollow circular section whose external diameter is 8 cm and internal diameter is 6 cm, about centroidal axis is.
    Solution

    Concept:

    Moment of inertia is the sum of the product of mass of each particle with the square of its distance from the axis of the rotation.

    M.O.I for hollow circular cross-section \( = \frac{\pi }{{64}}\left( {d_0^4 - d_i^4} \right)\) 

    Where d0 = outer diameter of cross section

    di = inner diameter of cross section

    Calculation:

    d0 = 8 cm

    di = 6 cm

    \(I = \frac{\pi }{{64}}\left( {{8^4} - {6^4}} \right)\)

    = 137.45 cm4

    Other Important Points:

    Formula of moment of inertia for various other figures is given below.

    S.No.

    Shape of cross-section

    INA

    Ymax

    Z

    1

    Rectangle

    \(I = \frac{{b{d^3}}}{{12}}\)

    \({Y_{max}} = \frac{d}{2}\)

    \(Z = \frac{{b{d^2}}}{6}\)

    2

    Circular

    \(I = \frac{\pi }{{64}}{D^4}\)

    \({Y_{max}} = \frac{d}{2}\)

    \(Z = \frac{\pi }{{32}}{D^3}\)

    3

    Triangular

    \(I = \frac{{B{h^3}}}{{36}}\)

    \({Y_{max}} = \frac{{2H}}{3}\)

    \(Z = \frac{{B{H^3}}}{{24}}\)

  • Question 10
    2 / -0.33
    The principle of virtual work states that, for a body to be in equilibrium, the virtual work should be:
    Solution

    Virtual work is the work done by a real force acting through a virtual displacement or a virtual force acting through a real displacement.

    A virtual displacement is any displacement consistent with the constraints ofthe structure, i.e., that satisfy the boundary conditions at the supports.

    A virtual force is any system of forces in equilibrium.

    The principle of virtual work states, for bodies in equilibrium, for a small arbitrary displacement, the total work done by the system is zero.

    In this method, the system is displaced through a small amount about a reference point and the work done by all the forces about the reference point is summed to zero to find the unknown reactions if any.

    ∴ The principle of virtual work states that, for a body to be in equilibrium, the virtual work should be zero.
  • Question 11
    2 / -0.33
    A flywheel of mass 8 tonnes starts from rest and gets up a speed of 180 r.p.m. in 3 minutes. Find the torque (in Nm) exerted on it, if the radius of gyration of the flywheel is 60 cm.
    Solution

    m = 8t = 8000 kg

    ω0 = 0 (because it starts from rest)

    \(\omega = 180\;r.p.m. = \frac{{180 \times 2\pi }}{{60}} = 6\pi \;rad/s\)

    t = 3 min = 180 s

    I = Mk2 = 8000 × (0.6)2 = 2880 kg-m2

    ω = ω0 + αt

    6π = 0 + α × 180

    \(\alpha = \frac{{6\pi }}{{180}} = 0.105\;rad/{s^2}\)

    T = Iα = 2880 × 0.105 = 302.4 N-m
  • Question 12
    2 / -0.33

    The ratio of moment of inertia of a circular plate to that of a square plate for equal depth is

    Solution

    Concept:

    Moment of inertia of circular plate,

  • Question 13
    2 / -0.33

    A rubber ball is thrown vertically upward with a velocity u from the top of a building. It strikes the ground with a velocity 3u. The time taken by the ball to reach the ground is given by:

    Solution

    Concept:

    Equation of motion:

    • The mathematical equations used to find the final velocity, displacements, time, etc of a moving object without considering the force acting on it are called equations of motion.
    • These equations are only valid when the acceleration of the body is constant and they move in a straight line.

    There are three equations of motion:

    where, v = final velocity, u = initial velocity, s = distance travelled by the body under motion, a = acceleration of body under motion, and t = time taken by the body under motion.

    Calculation:

    Given:

    Part-I:

    When the ball will reach the highest point then the final velocity will be zero.

    Initial velocity = u m/sec, final velocity = 0 m/sec, acceleration = -g m/sec2

    applying 1st equation of motion

    v = u + at

    0 = u - gt1

  • Question 14
    2 / -0.33

    The resultant of two equal forces P making an angle θ, is given by

    Solution

    To find the resultant of two equal forces P making an angle θ, we use the formula for the resultant of two forces:

    Here’s the derivation:
    - The two forces P are equal in magnitude and form an angle θ with each other.
    - The magnitude of the resultant force is given by  is the angle between one of the forces and the resultant.

    The other options involve sine, tangent, or cotangent functions, which do not correctly represent the magnitude of the resultant in this context.

  • Question 15
    2 / -0.33

    Moment of inertia of a circular section about an axis perpendicular to the section is

    Solution

    Moment of inertia for a circular section about an axis perpendicular to the section is given by , where d is the diameter of the circle. Therefore, the correct answer is Option C.

  • Question 16
    2 / -0.33
    A man of mass 650 N dives vertically downwards into a swimming pool from a tower of height 25 meter. He was found to go down in water by x meter and then started rising. If the average resistance offered by the water against rising of man is 7300 N, then the value of x is
    Solution

    Let initial velocity of man is “u” = 0

    V2 = u2 + 2gh

    V2 = 0 + 2 × 9.81 × 25

    V = 22.15 m/s

    Now at a velocity of 22.15 m/s man starts dives in to a swimming pool and goes up to x metre at which its velocity = 0

    So, V1 = 0

    u1 = 22.15 m/s

    a1 = -a (because body starts moving upward)

    \(v_1^2 = u_1^2 + 2{{\rm{a}}_1}{\rm{x}}\)

    0 = (22.15)2 + 2(-a) × X

    \({\rm{a}} = \frac{{ - {{\left( {22.15} \right)}^2}}}{{ - 2{\rm{x}}}} = \frac{{245.31}}{{\rm{x}}}\)

    Now, the net force acting on the man must be equal to the product of mass and acceleration

    Fr – W = ma

    \(7300-650 = \left( {\frac{{650}}{{9.81}}} \right) \times \frac{{245.31}}{{\rm{x}}}\)

    x = 2.44m
  • Question 17
    2 / -0.33

    In an IPL match between MI and RCB, Chahal bowled a full toss delivery to Rohit, Rohit pulled it away for a maximum. The mass of the ball is 160 gms and the mass of the Rohit’s bat is 1.5 kg. The speed of ball is 90 kmph just before the hit and 144 kmph just after the hit. The bat swing speed just before hitting the ball is 54 kmph and the ball is in contact with the bat for 3 ms.

    (Assume hitting the ball with bat as a 1D collision)
    Solution

    Concept:

    It is assumed hitting the ball with a bat as a 1D collision. During a collision, the momentum is conserved.

    Momentum lost by bat = Momentum gained by bat

    Mbat ubat - Mbat Vbat = Mball Vball - Mball uball

    Impulse on the ball will be change in momentum

    I = d(mv)

    Average force exerted by bat on the ball will be

    F = I/Δt

    Calculation:

    Given:

    Mball = 160 gms = 0.16 kg; Mbat = 1.5 kg; uball = 90 kmph = 25 m/s;

    Vball = 144 kmph = 40 m/s; ubat = 54 kmph = 15 m/s; Δt = 3 ms = 0.003 s

    Conservation of momentum:

    1.5 × 15 + 0.16 × 25 = 0.16 × 40 + 1.5 × Vbat

    ⇒ Vbat = 13.4 m/s = 48.24 kmph (Option 4)

    Impulse = change in momentum = Mball (uball – (Vball))

    ⇒ I = 0.16 (25 – (- 40)) = 10.4 kg m/s (Option 2)

    Average force exerted is given by

    Favg = I/Δt = 10.4/0.003 = 3.46 kN (Option3)

    Mistake point:

    While calculating impulse, directions of velocities are also needed to be considered because directions play a key role in kinematic analysis.

    If direction not considered, I = 0.16 × 15 = 2.4 kg.m/s

  • Question 18
    2 / -0.33

    A block of mass 20 kg lying on a rough horizontal plane is connected by a light string passing over a smooth pulley to another mass 5 kg, which can move freely in the Vertical direction, as shown in the below figure. The tension in the string will ___________ with the increase in coefficient of friction.

    Solution



  • Question 19
    2 / -0.33

    The skidding away of the vehicle on a level circular path can be avoided if the force of friction between the wheels and the ground is __________ the centrifugal force.

    Solution

    The correct answer is: B. Greater than

    Explanation: For a vehicle to stay on a level circular path without skidding, the force of friction between the wheels and the ground must be greater than or equal to the centrifugal force. The frictional force provides the necessary centripetal force that keeps the vehicle in circular motion. If the frictional force is less than the centrifugal force, the vehicle will skid out of the circular path.

  • Question 20
    2 / -0.33

    The angle between two forces when the resultant is maximum and minimum respectively are

    Solution

    The problem asks for the angle between two forces when the resultant is maximum and minimum.

    Solution: When two forces are applied at an angle:

    • The resultant force is maximum when the angle between them is . This happens because the forces add up completely in the same direction.

    • The resultant force is minimum when the angle between the two forces is 180°, as the forces are in opposite directions and subtract from each other.

    Therefore, the correct answer is: A. 0° and 180°.

  • Question 21
    2 / -0.33

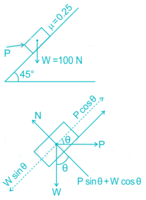
    A block weighting 100 N is resting on a plane inclined with horizontal as shown in Fig. What horizontal force P is necessary to hold the body from sliding down the plane? (Coefficient of friction can be taken as 0.25)

    Solution

    Concept:

    Equlibrium of a body is satisifed by the following conditions:

    ∑fx = 0

    ∑fy = 0

    ∑M = 0

    And for a distributed load 

    Calculation:

    Let us draw F.B.D of the block

    Now from equations of equilibrium

    ∑fy = 0

    N – P sin θ + W cos θ = 0

    N = P sin θ + W cos θ

    and ∑fx = 0

    W sin θ = P cos θ + μ⋅N

    W sin θ = P cos θ + μ (P sin θ + W cos θ)

    W sin θ - μ W cos θ = P cos θ + μ ⋅ P sin θ

    W sin θ - μ W cos θ = P (cos θ + μ sin θ)

    \(\Rightarrow P=\left( \frac{W\sin \theta -\mu W\cos \theta }{\cos \theta +\mu \sin \theta } \right)=W\frac{(\sin \theta -\mu \cos \theta )}{(\cos \theta +\mu \sin \theta )}\)   

    \(\Rightarrow P=100\frac{(\sin 45-0.2\times \cos 45)}{(\cos 45+0.25\times \sin 45)}\)

    ∴ P = 60 N

  • Question 22
    2 / -0.33

    The efficiency of a lifting machine is the ratio of

    Solution

    The correct answer is: D. All of the above

    Efficiency of a lifting machine can be expressed in different ways, all of which are related:

    • Output to the input: This refers to the ratio of useful work (output) to the total work (input) done on the machine.

    • Work done by the machine to the work done on the machine: This is essentially the same as the above, representing the ratio of the machine's work output to the input work.

    • Mechanical advantage to the velocity ratio: Efficiency can also be defined as the ratio of mechanical advantage (MA) to velocity ratio (VR), which is a measure of how effectively the machine converts input energy to output work.

  • Question 23
    2 / -0.33

    A Train of length 500 m is travelling in 30° north east direction with a uniform acceleration of 0.2 m/s2 and at t = 0, it has a speed of 54 kmph. At the same time (t = 0), a Benz car started from different location from rest and travelling in east direction with a uniform acceleration of 0.4 m/s2. At t = 25 sec, a passenger sitting in Benz observed the train on his left side.

    (Assume the angle is measured from east direction)

    Solution

    Concept:

    If the person is sitting in train and observing train velocity, he will observe the train is at rest as the relative velocity of train w.r.t person is zero.

    VTP = VT – VP = VT – VT = 0

    If the person is outside the train and stationery, he will observe the actual speed of train.

    VTP = VT – VP = VT – 0 = VT

    If the person is sitting in another vehicle and observing the train, the observed train velocity will be different.

    VTP = VT – VP ⇒ VT = VTP + VP

    Hence, the vectors VT, VP and VTP constitute a triangle.

    Calculation:

    Given uT = 54 kmph = 15 m/s; uB = uP = 0; aT = 0.2 m/s2; aP = 0.4 m/s2;

    At t = 25 sec,

    VT = uT + aT t = 15 + 0.2 × 25 = 20 m/s;

    VP = uP + aP t = 0 + 0.4 × 25 = 10 m/s;

    Now both the velocities’ directions are different, let’s solve in each direction separately,

    We will assume, East direction as positive x – axis and North direction as positive Y – axis.

    VTX = 20 × cos 30° = 17.32 m/s;

    VTY = 20 × sin 30° = 10 m/s;

    VPX = 10 × cos 0° = 10 m/s

    VPY = 10 × sin 0° = 0 m/s;

    VTPX = VTX – VPX = 7.32 m/s;

    VTPY = VTY – VPY = 10 – 0 = 10 m/s;

    Since Both the east component and north component are positive, the direction of Relative velocity vector lies in 1st quadrant,

    ∴ Passenger observes the train moving in north east direction (Option 2)

    For angle,

    \(\tan \theta = \frac{{{V_{TPY}}}}{{{V_{TPX}}}} = \frac{{10}}{{7.32}} = 1.366\) 

    ⇒ θ = 53.8°

    As the angle is measured from East direction, so θ = 53.8° (Option 3)

    This problem can also be solved using Velocity triangle approach.

    Mistake points:

    The angle calculated (θ) is the angle with East direction (+ve x-axis)

    If the angle is measured from north direction, then the answer will be 90 - θ degrees.

  • Question 24
    2 / -0.33
    Two objects P and Q are travelling horizontally with velocity of 8 m/sec and 6 m/sec form left to right. They are separated by a distance of 15 m. The mass of the objects are 3 kg and 5 kg. If the coefficient of restitution is 0.7 what is the velocity (m/s) of P and Q after impact and when (seconds) and where (metres) will they impact with respect to initial positioning of Q. The corresponding answers are respectively
    Solution

    Concept:

    The figure of two objects P and Q as per given data in question is,

    Conservation of linear momentum (P)

    If there is no external force acting on system then initial momentum of system is equal to final momentum is called conservation of liner momentum.

    \({{\rm{m}}_P}{\rm{\;}}{{\rm{U}}_P} + {\rm{\;}}{{\rm{m}}_Q}{\rm{\;}}{{\rm{U}}_Q} = {{\rm{m}}_P}{\rm{\;}}{{\rm{V}}_P} + {{\rm{m}}_Q}{\rm{\;}}{{\rm{V}}_Q}\)

    And 

    Coefficient of restitution (e)

    It is the ration of final relative velocity after collision to the initial relative velocity before collision.

    \({\rm{e}} = \frac{{\left( {{{\rm{V}}_Q} - {{\rm{V}}_P}} \right)}}{{\left( {{{\rm{U}}_P} - {{\rm{U}}_Q}} \right)}}\)

    Calculation:

    Given:

    UP = 8 m/s, UQ = 6 m/s, mP = 3 kg, mQ = 5 kg, e = 0.7

    mP × 8 + mQ × 6 = mVP + MQVR

    ⇒ 3 × 8 + 5 × 6 = 3 VP + 5 VR

    3 VP + 5 VR = 54 ------ (1)

    For Coefficient of restitution (e)

    \(0.7 = \frac{{{V_Q} - {V_P}}}{{8 - 6}}\)

    \({V_Q} - {V_P} = 1.4\)

    5VR + 3VP = 54 

    3VQ - 3VP = 1.4 × 3

    By adding both equations we will get, 

    8 VQ = 58.2

    VQ = 7.275 m/s

    VP = 8.875 m/s

  • Question 25
    2 / -0.33

    The motion of a particle moving along a curve is defined by y = x3- 3x + 150, starting with an initial velocity of \(\overrightarrow {{V_0}} = 3\hat i - 14\hat j\) m/s. If Vx is constant, then which of the following statements are true at x = 5 m?

    Solution

    Concept:

    \({V_y} = \frac{{dy}}{{dt}}\)

    \({a_y} = \frac{{{d^2}y}}{{dt}}\)

    Calculation:

    Given

    y = x3-3x+150

    From, \(\overrightarrow {{V_0}} = 3\hat i - 14\hat j\)

    Vx = 3 m/s (Constant)

    \({V_y} = \frac{{dy}}{{dt}} = 3{x^2}{V_x} - 3{V_x}\)

    \({V_y} = 3{x^2}\left( 3 \right) - 3\left( 3 \right)\)

    \({V_y} = 9{x^2} - 9\)      (1)

    \({a_y} = 18x\)      (2)

    Substitute x = 5 in (1) and (2)

    Vy = 216 m/s

    ay = 90 m/s2

Self Studies
User
Question Analysis
  • Correct -

  • Wrong -

  • Skipped -

My Perfomance
  • Score

    -

    out of -
  • Rank

    -

    out of -
Re-Attempt Weekly Quiz Competition
Self Studies Get latest Exam Updates
& Study Material Alerts!
No, Thanks
Self Studies
Click on Allow to receive notifications
Allow Notification
Self Studies
Self Studies Self Studies
To enable notifications follow this 2 steps:
  • First Click on Secure Icon Self Studies
  • Second click on the toggle icon
Allow Notification
Get latest Exam Updates & FREE Study Material Alerts!
Self Studies ×
Open Now