Self Studies

Physics Test - ...

TIME LEFT -
  • Question 1
    1 / -0

    The Bohr model of atoms,

  • Question 2
    1 / -0

    Two spherical bodies of masses \('M'\) and \('5M'\) and radii \('R'\) and \('2R'\), respectively, are released in free space with initial separation between their centres equal to \('12R'\). If they attract each other due to gravitational force only, then what is the distance covered by the smaller body just before collision?

  • Question 3
    1 / -0

    A solenoid of inductance \(L\) and resistance \(R\) is connected to a battery. The time taken for the magnetic energy to reach \(\frac{1}{4}\) of its maximum value is:

  • Question 4
    1 / -0

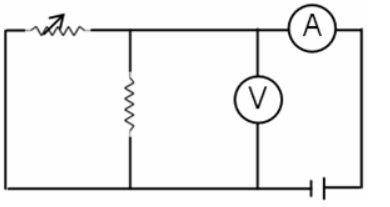
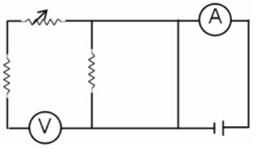
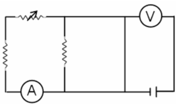
    Which of the following setups can be used to verify Ohm's law?

  • Question 5
    1 / -0

    Calculate the change in capacity on introduction of dielectric. if a dielectric slab of thickness \(1.0 {~cm}\) and dielectric constant 5 is placed between the plates of a parallel plate capacitor of plate area \(0.01 {~m}^{2}\) and separation \(2.0 {~cm}\).

  • Question 6
    1 / -0

    Four identical particles of mass \(M\) are located at the corners of a square of side '\(a\)'. What should be their speed if each of them revolves under the influence of others' gravitational field in a circular orbit circumscribing the square?

  • Question 7
    1 / -0

    The vertical component of the earth's magnetic field is \(6 \times 10^{-5} \mathrm{~T}\) at any place where the angle of dip is \(37^{\circ}\). The earth's resultant magnetic field at that place will be \(\left(\right.\) Given \(\left.\tan 37^{\circ}=\frac{3}{4}\right)\)

  • Question 8
    1 / -0

    The total path length is always __________ to the magnitude of the displacement vector of a particle.

  • Question 9
    1 / -0

    Which of the equation is dimensionally correct. Where (f = focal length, u = image distance, v = object distance)

  • Question 10
    1 / -0

    Two photons of same frequency are produced due to the annhiliation of a proton and antiproton. Wave length of the proton so produced is:

Submit Test
Self Studies
User
Question Analysis
  • Answered - 0

  • Unanswered - 10

  • 1
  • 2
  • 3
  • 4
  • 5
  • 6
  • 7
  • 8
  • 9
  • 10
Submit Test
Self Studies Get latest Exam Updates
& Study Material Alerts!
No, Thanks
Self Studies
Click on Allow to receive notifications
Allow Notification
Self Studies
Self Studies Self Studies
To enable notifications follow this 2 steps:
  • First Click on Secure Icon Self Studies
  • Second click on the toggle icon
Allow Notification
Get latest Exam Updates & FREE Study Material Alerts!
Self Studies ×
Open Now