Self Studies

Analog Electronics Test 1

Result Self Studies

Analog Electronics Test 1
  • Score

    -

    out of -
  • Rank

    -

    out of -
TIME Taken - -
Self Studies

SHARING IS CARING

If our Website helped you a little, then kindly spread our voice using Social Networks. Spread our word to your readers, friends, teachers, students & all those close ones who deserve to know what you know now.

Self Studies Self Studies
Weekly Quiz Competition
  • Question 1
    2 / -0.33

    The theoretical maximum efficiency of a bridge rectifier circuit is

    Solution

  • Question 2
    2 / -0.33

    What is the primary reason a full-wave rectifier without a filter has a lower ripple factor compared to a half-wave rectifier?

    Solution

    The ripple factor measures AC fluctuations in a rectifier’s output. A full-wave rectifier has a lower ripple factor than a half-wave rectifier because it rectifies both halves of the AC input, producing an output with twice the frequency (e.g., 120 Hz for a 60 Hz input). This higher frequency results in smaller voltage fluctuations between peaks, reducing the ripple factor.

    Option A: Correct, as higher frequency reduces ripple magnitude.

  • Question 3
    2 / -0.33

    A half wave rectifier is used to supply 24 V DC to a resistive load of 500 Ω and the diode has a forward resistance of 50 Ω. What is the maximum value of the AC voltage required at the input?

    Solution

  • Question 4
    2 / -0.33

    What is the value of inductance to be used in the inductor filter connected to a full-wave rectifier operation at 60 Hz to provide a DC output with 4% ripple for a 100 Ω load?

    Solution

    The ripple factor for an inductor filter is

  • Question 5
    2 / -0.33

    Diodes are used to clip voltages in circuits because they act as

    Solution

    Diodes are essential components in electronic circuits, primarily used to manage voltage levels. They perform this function by behaving like a voltage source under certain conditions. Here are the key points regarding their operation:

    • Clipping Voltage: Diodes can limit the maximum voltage in a circuit, preventing damage to other components.
    • Forward Bias: When a diode is forward-biased, it allows current to flow, effectively acting as a voltage source.
    • Reverse Bias: In reverse bias, the diode blocks current, protecting the circuit from excessive voltage.
    • Applications: They are commonly used in power supply circuits and signal processing.

    In summary, diodes play a crucial role in controlling voltage levels by functioning as a voltage source under specific conditions, making them indispensable in many electronic applications.

  • Question 6
    2 / -0.33

    When a capacitor is connected across the output terminals of a half or full-wave rectifier, the output voltage

    Solution

    When a capacitor is connected across the output terminals of a rectifier, the output voltage:

    • Essentially becomes a DC voltage.
    • Undergoes minimal fluctuations, smoothing out the signal.
    • Helps to store energy, providing a stable output.

    This process is critical in converting the alternating current (AC) into a usable direct current (DC), which is essential for most electronic devices. The capacitor acts as a reservoir, filling in the gaps between the peaks of the rectified voltage and reducing the ripple effect.

  • Question 7
    2 / -0.33

    The equivalent DC output voltage of a full-wave rectifier is ____ the equivalent DC output voltage of a half-wave rectifier.

    Solution

  • Question 8
    2 / -0.33

    In the question a circuit and a waveform for the input voltage is given. The diode in circuit has cutin voltage Vγ = 0. Choose the option for the waveform of output voltage vo :

    Solution
    • Diode is off for vi  < 5 V. Hence vo = 5 V.
    • For vi > 5 V, vo = vi .Therefore (D) is correct option.
  • Question 9
    2 / -0.33

    In the question a circuit and a waveform for the input voltage is given. The diode in circuit has cutin voltage Vγ = 0. Choose the option for the waveform of output voltage vo

    Solution
    • For v < 4 V the diode is ON and output vo = 4 V.
    • For vi  >4 V diode is off and output vo = vi.
    • Thus (D) is correct option.
  • Question 10
    2 / -0.33

    In the question a circuit and a waveform for the input voltage is given. The diode in circuit has cutin voltage Vγ = 0. Choose the option for the waveform of output voltage vo

    Solution
    • During positive cycle when vs < 8V both diode are OFF vo = vs . For vs > 8V , vo = 8V , D1 is ON.
    • During negative cycle when |vs| < 6 V, both diode are OFF, vo = vs .
    • For |vs| > 6V , D2 is on v0 = -6V .Therefore (C) is correct.
  • Question 11
    2 / -0.33

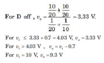
    For the circuit in fig. P.3.1.5, let cutin voltage Vγ = 0.7 V. The plot of vo verses vi for -10 ≤ vi ≤10 V is:

    Solution

  • Question 12
    2 / -0.33

    The circuit inside the box in fig. contains only resistor and diodes. The terminal voltage vo is connected to some point in the circuit inside the box. The largest and smallest possible value of vo most nearly to is respectively.

    Solution

    The output voltage cannot exceed the positive power supply voltage and cannot be lower than the negative power supply voltage.

  • Question 13
    2 / -0.33

    In the voltage regulator circuit in fig. the maximum load current iL that can be drawn is:

    Solution

  • Question 14
    2 / -0.33

    The Q-point for the Zener diode in fig. is:

    Solution

  • Question 15
    2 / -0.33

    In the voltage regulator circuit in fig the power rating of Zener diode is 400 mW. The value of RL that will establish maximum power in Zener diode is:

    Solution

  • Question 16
    2 / -0.33

    In the voltage regulator circuit in fig. the Zener diode current is to be limited to the range 5 ≤ iz ≤100 mA.

    The range of possible load current is:

    Solution

  • Question 17
    2 / -0.33

    In the voltage regulator circuit in fig. the Zener diode current is to be limited to the range 5 ≤ iz ≤100 mA.

    Solution

  • Question 18
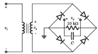
    2 / -0.33

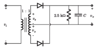
    The secondary transformer voltage of the rectifier circuit shown in fig. is vs = 60 sin 2π 60tV. Each diode has a cut in voltage of Vγ = 0.6 V. The ripple voltage is to be no more than Vrip = 2 V. The value of filter capacitor will be:

    Solution

  • Question 19
    2 / -0.33

    The input to full-wave rectifier in fig. is vi = 120 sin2π60t V. The diode cutin voltage is 0.7 V. If the output voltage cannot drop below 100 V, the required value of the capacitor is:

    Solution

  • Question 20
    2 / -0.33

    For the transistor in circuit shown in fig. β = 200. Determine the value of VC for given value of VB in question.

    Solution

  • Question 21
    2 / -0.33

    In the circuit shown in the figure, the BJT has a current gain (β) of 50. For an emitter-base voltage VEB = 600 mV, the emitter-collector voltage VEC (in Volts) is _____Volts.

    Solution

    Concept:

    The BJT configuration for a pnp and npn transistors are as shown:

    The emitter-collector voltage can be calculated using KVL

    Analysis:

    The configuration given is of a PNP transistor.

    Given, VE = 3 V

    VEB = 600 × 10-3 V = 0.6 V

    VE – VB ⇒ 0.6 V

    3 – VB ⇒ 0.6 V

    So, VB = 2.4 Volts

    Applying Ohm’s law across 60 kΩ resistor,

    \({I_B} = \frac{{{V_B}}}{{60 \times {{10}^3}}} = \frac{{2.4}}{{60 \times {{10}^3}}} \)

    \(I_B= 0.04 \times {10^{ - 3}}A\)

    IC = β IB (where β is the current gain)

    Given, β = 50,

    IC = 50 × 0.04 × 10-3 A = 2 mA

    IC = 2 × 10-3 A

    Applying Ohms law across 500 Ω resistor, we get:

    \({I_C} = \frac{{{V_C}}}{{500}} = \frac{{{V_C}}}{{500}} \)

    \(I_C= 2 \times {10^{ - 3}}\)

    \({V_C} = 1\;Volts\)

    Now,

    VEC = V – VC = 3 – 1 = 2 Volts

    So, VEC = 2 Volts

    Common Mistakes:

    Mark emitter & collector terminals accordingly. It is common to notice that students always apply npn-transistor concepts even for a given pnp transistor. 

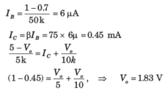
  • Question 22
    2 / -0.33

    For the transistor in circuit shown in fig. β = 200. Determine the value of IE and IC for given value of VB in question.

    Solution

  • Question 23
    2 / -0.33

    For the n-channel enhancement MOSFET shown in figure, the threshold voltage Vth = 2 V. The drain current ID of the MOSFET is 4 mA when the drain resistance RD is 1 kΩ. If the value of RD is increased to 4 kΩ, drain current ID will become

    Solution

    For an n-channel enhancement mode MOSFET, transition point is given by:

    VDS(sat) = VGS - Vth

    = VGS – 2

    From the circuit,

    VDS = VGS

    ⇒ VDs(sat) = VDS – 2

    ⇒ VDS = VDS(sat) + 2

    ⇒ V­DS > VDS(sat)

    So, the transistor will always be in the Saturation region.

    ID = K (VGS - Vth)2

    ⇒ 4 = K (VGS - 2)2

    VGS = VDS = 10 – ID R­D = 10 – 4(1) = 6 V

    ⇒ 4 = K (6 -2)2

    ⇒ K = 0.25

    Now RD is increased to 4 kΩ, Let current \(I{'}{_d}\) and voltages are \(V{'}{_{DS}} = V{'}{_{GS}}\)

    Applying current equation

    \(I_D' = K{\left( {V_{GS}' - {V_{TH}}} \right)^2}\)

    \(I_D' = \frac{1}{4}{\left( {V_{GS}' - 2} \right)^2}\)

    \(V_{GS}' = V_{DS}' = 10 - I_D'R_D' = 10 - 4I_D'\)

    \(4I_{DS}' = {\left( {10 - 4I_D' - 2} \right)^2} = {\left( {8 - 4I_D'} \right)^2}\)

    \(= 16{\left( {2 - I_D'} \right)^2}\)

    \(I_D' = 4\left( {4 + I_D' - 4I_D'} \right)\)

    \(\Rightarrow 4{\left( {I_D'} \right)^2} - 17I_D' + 16 = 0\)

    \(\Rightarrow I_D' = 2.84\;mA~or~1.4~mA\)

    It cannot be 2.84 mA because:

    For ID = 2.84 mA, VGS will be negative.

    So, ID' = 1.4 mA

  • Question 24
    2 / -0.33

    The transistor in circuit shown in fig. has β = 200. Determine the value of voltage Vo for given value of VBB.

    Solution

  • Question 25
    2 / -0.33

    The transistor in circuit shown in fig. has β = 75. Determine the value of voltage Vo for given value of VBB.

    Solution

Self Studies
User
Question Analysis
  • Correct -

  • Wrong -

  • Skipped -

My Perfomance
  • Score

    -

    out of -
  • Rank

    -

    out of -
Re-Attempt Weekly Quiz Competition
Self Studies Get latest Exam Updates
& Study Material Alerts!
No, Thanks
Self Studies
Click on Allow to receive notifications
Allow Notification
Self Studies
Self Studies Self Studies
To enable notifications follow this 2 steps:
  • First Click on Secure Icon Self Studies
  • Second click on the toggle icon
Allow Notification
Get latest Exam Updates & FREE Study Material Alerts!
Self Studies ×
Open Now