Self Studies

Physics Test - 67

Result Self Studies

Physics Test - 67
  • Score

    -

    out of -
  • Rank

    -

    out of -
TIME Taken - -
Self Studies
Weekly Quiz Competition
  • Question 1
    1 / -0

    If a liquid does not wet glass, its angle of contact is ______.

    Solution

    If a liquid does not wet glass, its angle of contact is obtuse.

    Contact angle: The contact angle is a measure of the ability of a liquid to wet the surface of a solid. 

    • Adhesive forces: Attractive forces between molecules of different types are called adhesive forces.
    • Cohesive forces: Attractive forces between molecules of the same types are called cohesive forces.
    • For contact angle 90° the cohesive forces and adhesive forces are in the equilibrium state.

    If a liquid doesn’t wet the glass which means the interaction of liquid molecules is greater than the interaction between the liquid and solid molecule, these lead to an obtuse angle of contact.

  • Question 2
    1 / -0

    Two small charged spheres \(\mathrm{A}\) and \(\mathrm{B}\) have charges \(10 \mathrm{\mu C}\) and \(940 \mathrm{\mu C}\), respectively, and are held at a separation of \(90 \mathrm{~cm}\) from each other. At what distance from \(\mathrm{A}\) would the electric intensity be zero?

    Solution
    Solution Image

    Here, \(A B=r=90 \mathrm{~cm}=0.9 \mathrm{~m}\)

    \(\mathrm{q_{A}=10 \mu C=10 \times 10^{-6} C} \)

    \(\mathrm{q_{B}=40 \mu C=40 \times 10^{-6} C, A C=?}\)

    At point \(\mathrm{C, E_{A}=E_{B}}\)

    \(\mathrm{\frac{q_{A}}{4 \pi \varepsilon_{0}(A C)^{2}}=\frac{q_{B}}{4 \pi \varepsilon_{0}(B C)^{2}}} \)

    \(\mathrm{\frac{q_{A}}{(A C)^{2}}=\frac{q_{B}}{(r-A C)^{2}}}\)

    \(\mathrm{\frac{10 \times 10^{-6}}{(A C)^{2}}=\frac{40 \times 10^{-6}}{(0.9-A C)^{2}}} \)

    \(\mathrm{\frac{1}{(A C)^{2}}=\frac{4}{(0.9-A C)^{2}}}\)

    \(\mathrm{\frac{1}{A C}=\frac{2}{(0.9-A C)}} \)

    \(\mathrm{0.9-A C=2 A C} \)

    \(\mathrm{3 A C=0.9 }\)

    \(\mathrm{A C=0.3 \mathrm{~m}=30 \mathrm{~cm}}\)

    So at \(30 \mathrm{~cm}\) distance from \(\mathrm{A}\) the electric intensity will be zero.

  • Question 3
    1 / -0
    \(\vec{A} × \vec{B}=\frac{1}{2} AB ,\) what is the angle between \(A\) and \(B ?\)
    Solution

    Using Dot Product principle: \(A × B=AB \cos (\$)\)

    Here, \(\$\), means the angle between vector \(A\) and \(B\)

    Angle of arbitrary vectors \(A, B\), is defined in range \(\left(0^{\circ}, 180^{\circ}\right)\)

    Then, factor \(AB\) dissolved on both sides of equation. We will get \(\cos (\$)=\frac{1}{2}\)

    Finally referring to the above range, you can get only one answer:

    \(60^{\circ}\)

  • Question 4
    1 / -0

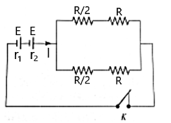
    Two batteries A and B connected in given circuit have equal emfs E and internal resistances r1 and r2, respectively (r1 > r2).

    The switch S is closed at t = 0. After a long time, it was found that terminal potential difference across battery A is zero. Find the value of R.

    Solution
    After a long time, steady state is reached in which impendance due to inductor ( \(\omega L\) for \(d c\) ) is zero and that due to capcitance \(\left(\frac{1}{\omega C}\right)\) becomes infinite, so equivalent circuit is shows in Fig Net external resistance
    \(R_{e x t}=\frac{\frac{R}{2}+R}{2}=\frac{3}{4} R\)
    Net internal resistance \(R_{\text {int }}=r_{1}+r_{2}\)
    \(\therefore\) Current in circuit \(I=\frac{2 E}{\frac{3}{4} R+r_{1}+r_{2}}\)
    The potential difference across the terminals of cell \(A\) is zero, so
    \(E-I r_{1}=0
    \Rightarrow E-\frac{2 E r_{1}}{\frac{3}{4} R+r_{1}+r_{2}} \Rightarrow R=\frac{4}{3}\left(r_{1}-r_{2}\right)\)
  • Question 5
    1 / -0

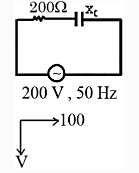
    To light, a \(50 \mathrm{~W}, 100 \mathrm{~V}\) lamp is connected, in series with a capacitor of capacitance \(\frac{50}{\pi \sqrt{x}} \mu \mathrm{F}\), with \(200 \mathrm{~V}, 50 \mathrm{~Hz}\) AC source. The value of \(\mathrm{x}\) will be _____________.

    Solution

    \(\begin{aligned} & P=\frac{V^2}{R} \Rightarrow R=\frac{V^2}{P} \\ & \left(V_R\right)\left(V_C\right)\end{aligned}\)

    \(\begin{aligned} & \mathrm{R}=\frac{100 \times 10^2}{50}=\mathrm{R}=200 \Omega \\ & \mathrm{V}_{\mathrm{R}}^2+\mathrm{V}_{\mathrm{C}}^2=\mathrm{V}^2 \\ & (100)^2+\mathrm{V}_{\mathrm{C}}^2=(200)^2 \\ & \mathrm{i}=\frac{100}{200}=\frac{1}{2} ; \quad \mathrm{V}^2=40000 \\ & \mathrm{~V}=\mathrm{I} \times \mathrm{X}_{\mathrm{C}} ; \quad \mathrm{V}_{\mathrm{C}}{ }^2=30000 \\ & \mathrm{~V}_{\mathrm{C}}=100 \sqrt{3} \\ & \mathrm{X}_{\mathrm{C}}=200 \sqrt{3} \\ & 200 \sqrt{3}=\frac{1}{\omega \mathrm{C}} \\ & \mathrm{C}=\frac{1}{20 \times 50 \times 20 \sqrt{3}}=\frac{50 \times 10^{-6}}{\sqrt{\mathrm{x}}} \\ & \sqrt{\mathrm{x}}=50 \times 10^{-6} \times 100 \times 200 \sqrt{3} \\ & \mathrm{X}=3\end{aligned}\)

  • Question 6
    1 / -0

    If \(R, C\) and \(L\) denote resistance, capacitance, and inductance. Which of the following will not have the dimensions of frequency?

    Solution

    Frequency \(=\frac{1}{\text { time constant }}\)

    We know that,

    Dimensions of \(R=\left[M L^{2} T^{-3} I^{-2}\right]\)

    Dimensions of \(L=\left[M L^{2} T^{-2} I^{-2}\right]\)

    Dimensions of \(C=\left[M^{-1} L^{-2} T^{4} I^{2}\right]\)

    Hence, dimensions of \(R C L=\left[M L^{2} T^{-1} I^{-2}\right]\)

    Which are not equal to dimensions of frequency;

    The constant is given by \(C R\) and \(L C\).

  • Question 7
    1 / -0

    Charge on α-particle is how many times the charge on proton:

    Solution

    Alpha particle is a helium nucleus containing two protons and two neutrons so its charge is twice the proton's charge while the mass is about 4 times greater.

    Let the charge of the proton be \(+e\), then the charge of the alpha particle will be \(+2 \mathrm{e} .\) Similarly mass of the proton be \(m\), then the mass of the alpha particle will be \(4 \mathrm{~m}\). Specific charge = charge/mass of the substance.

    For proton,

    Specific charge \(=\frac{e}{m}\)

    For alpha particle,

    Specific charge \(=\frac{2 \mathrm{e}}{4 \mathrm{~m}}\)

    Therefore the ratio is \(=\frac{e}{m} \times \frac{4 m}{2 e}=2: 1\)

    So, the charge to mass ratio of an alpha particle is approximate twice the charge to mass ratio of a proton.

  • Question 8
    1 / -0

    The variation of potential energy of harmonic oscillator is as shown in figure. The spring constant is:

    Solution

    We know that:

    The Potential energy of the harmonic oscillator is given by \(\mathrm{PE}=\frac{1}{2} \mathrm{kx}^{2}\)

    However, there can be initial potential energy, which is a constant.

    Thus, the generalized potential energy of a harmonic oscillator is:

    \(\mathrm{PE}=\mathrm{V}_{0}+\) \(\frac{1}{2} \mathrm{kx}^{2}\).....(1)

    From the given figure,

    At \(\mathrm{x}=0, \mathrm{PE}=0.01 \mathrm{~J}=V_{0}\)

    At \(\mathrm{x}=0.02 \mathrm{~m}, \mathrm{PE}=0.04 \mathrm{~J}\)

    Substituting in the general form of Potential energy, we have \(\mathrm{V}_{0}=0.01 \mathrm{~J}\)

    Put all the given values in (1).

    Thus, \(0.01+\frac{1}{2} \mathrm{k}(0.02)^{2}=0.04 \)

    \( \mathrm{k}=150 \mathrm{~N} / \mathrm{m}\)

  • Question 9
    1 / -0

    By which quantities of the following is pressure measured?

    Solution

    Pressure is the force applied per unit area in a direction perpendicular to the surface of the object. The SI unit of pressure is the Pascal (Pa).

    Pressure \((P)=\frac{\text { Force }}{\text { Area }}\)

    From the above information we can say that pressure is measured In the context of force and area.

  • Question 10
    1 / -0

    The astronomical phenomenon when the planet Venus passes directly between the Sun and the earth is known as Venus transit. For two separate persons standing on the earth at points \(\mathrm M\) and \(\mathrm N\), the Venus appears as black dots at points \(\mathrm M^{\prime}\) ' and \(\mathrm N^{\prime}\) on the Sun. The orbital period of Venus is close to 220 days. Assuming that both earth and Venus revolve on circular paths and taking distance \(\mathrm {M N}=1000 \mathrm{~km}\), calculate the distance \(\mathrm{M^{\prime} N^{\prime}}\) on the surface of the Sun. [Take \(\left.(2.75)^{1 / 3}=1.4\right]\)

    Solution

    Let radius of circular orbit of the Earth and Venus be \(\mathrm{r_e}\) and \(\mathrm{r_v}\) respectively \(\mathrm{\left(\frac{r_c}{r_v}\right)^3=\left(\frac{365}{220}\right)^2 }\) [Kepler's third law] 
    \(\Rightarrow\mathrm{ \frac{r_c}{r_v}=(2.75)^{1 / 3}=1.4}\)
    From the drawing given in the problem \(\mathrm{\frac{M^{\prime} N^{\prime}}{M N}=\frac{N^{\prime} V}{N V} }\)
    \(\mathrm{M^{\prime} N^{\prime}=M N\left(\frac{N^{\prime} V}{N V}\right)=1000 \times \frac{r_v}{r_c-r_v}=1000 \times \frac{1}{\frac{r_e}{r_v}-1}}\)\(=1000 \times \frac{1}{1.4-1}=2500 \mathrm{~km}\)

Self Studies
User
Question Analysis
  • Correct -

  • Wrong -

  • Skipped -

My Perfomance
  • Score

    -

    out of -
  • Rank

    -

    out of -
Re-Attempt Weekly Quiz Competition
Self Studies Get latest Exam Updates
& Study Material Alerts!
No, Thanks
Self Studies
Click on Allow to receive notifications
Allow Notification
Self Studies
Self Studies Self Studies
To enable notifications follow this 2 steps:
  • First Click on Secure Icon Self Studies
  • Second click on the toggle icon
Allow Notification
Get latest Exam Updates & FREE Study Material Alerts!
Self Studies ×
Open Now