Self Studies

Control Systems Test 2

Result Self Studies

Control Systems Test 2
  • Score

    -

    out of -
  • Rank

    -

    out of -
TIME Taken - -
Self Studies
Weekly Quiz Competition
  • Question 1
    2 / -0.33

    Consider the polynomial

    P(s) = s5 + 5s4 + 11s3 + 23s2 + 28s + 12

    Using the Routh Hurwitz criteria, which of the following is/are true?

    Solution

    Concept:

    The characteristic equation for a given open-loop transfer function G(s) is

    1 + G(s) H(s) = 0

    According to the Routh tabulation method,

    The system is said to be stable if there are no sign changes in the first column of Routh array

    The number of poles lies on the right half of s plane = number of sign changes

    Calculation:

    Given polynomial is,

    s5 + 5s4 + 11s3 + 23s2 + 28s + 12

    By applying Routh Hurwitz criteria,

    s5

    1

    11

    28

    s4

    5

    23

    12

    s3

    6.4

    25.6

    0

    s2

    3

    12

    0

    s1

    0(6)

    0

    0

    s0

    12

     

     

     

    s1 row is zero. So, there are two poles on jω axis.

    3s2 + 12 = 0

    s = ± 2j

    AE : 3s2 + 12 = 0

    By differentiating

    6s = 0

    Total number of poles = 5

    Number of sign changes = zero

    Number of right side poles = zero

    Number of left side poles = 5 – 2 = 3

    As there are poles on jω axis, the system is marginally stable.

  • Question 2
    2 / -0.33

    In the signal flow graph of figure y/x equals

    Solution

  • Question 3
    2 / -0.33

    Non-minimum phase transfer function is defined as the transfer function

    Solution

    The non-minimum phase transfer function is defined as the transfer function which has zeros (or) poles in right side of s-plane.

  • Question 4
    2 / -0.33

    The type and order of the system described by the open loop transfer function  are respectively

    Solution

    Type of System: The Type of system denotes the no. of poles at the origin of the open loop transfer function G(s)H(s).

    Hence, there is no open loop pole at origin. Hence, type of system = 0.

    Order of a System: The order of a control system is determined by the highest power of 's' in the denominator of its transfer function.

    Hence, highest power of s of the characteristic equation 1+ G(s) = 0 will be 2.

    Hence, order of given System = 2.

  • Question 5
    2 / -0.33

    The transfer function of the network shown below is

    Solution

  • Question 6
    2 / -0.33

    A unity feedback control system has an open-loop transfer function

    \(G\left( s \right) = \frac{A}{{s\left( {s + a} \right)}}\)

    The sensitivity of the closed-loop transfer function to the changes in the parameter is
    Solution

    Concept:

    The sensitivity of the overall gain ‘M’ to the variation in ‘G’ is defined as

    Sensitivity = % change in M/% change in G

    \(S_G^M = \frac{{\frac{{\delta M}}{M}}}{{\frac{{\delta G}}{G}}} = \frac{{\delta M}}{{\delta G}} \times \frac{G}{M}\)

    Where δM denotes the incremental change in M due to the incremental change in G.

    Application:

    \(G = \frac{A}{{s\left( {s + a} \right)}} = \frac{A}{{{s^2} + as}}\)

    Closed-loop transfer function is

    \(TF = \frac{G}{{1 + GH}} = \frac{{\frac{A}{{{s^2} + as}}}}{{1 + \frac{A}{{{s^2} + as}}}} = \frac{A}{{{s^2} + as + A}}\)

    \(\frac{{\partial T}}{{\partial a}} = \frac{{ - As}}{{{{\left( {{s^2} + as + A} \right)}^2}}}\)

    Sensitivity \(= \frac{{\partial T}}{{\partial a}} \times \frac{a}{T}\) 

    \(= \frac{{ - As}}{{{{\left( {{s^2} + as + A} \right)}^2}}} \times \frac{a}{{\frac{a}{{\left( {{s^2} + as + A} \right)}}}}\)

    \(= \frac{{ - as}}{{\left( {{s^2} + as + A} \right)}}\)

  • Question 7
    2 / -0.33

    The system matrix of a continuous time system, described in the state variable from is

    \(\left[ {\begin{array}{*{20}{c}}x&0&0\\0&y&{ - 1}\\0&1&{ - 2}\end{array}} \right]\)

    The range of x and y so that the system is stable is
    Solution

    For the system to be stable, the poles should lie on left half of the s-plane.

    The roots of the characteristic equation are the poles. The characteristic equation is given below.

    |sI - A| = 0

    \(sI - A = \left[ {\begin{array}{*{20}{c}}s&0&0\\0&s&0\\0&0&s\end{array}} \right] - \left[ {\begin{array}{*{20}{c}}x&0&0\\0&y&{ - 1}\\0&1&{ - 2}\end{array}} \right]\)
    \( = \left[ {\begin{array}{*{20}{c}}{s - x}&0&0\\0&{s - y}&1\\0&{ - 1}&{s + 2}\end{array}} \right]\)
    \(\left| {\begin{array}{*{20}{c}}{s - x}&0&0\\0&{s - y}&1\\0&{ - 1}&{s + 2}\end{array}} \right| = 0\)

    (s - x) [(s - y)(s + 2) + 1] = 0

    For the system to be stable, the roots of the above equation must be less than zero.

    x < 0

    s2 – 2y – sy + 2s + 1 = 0

    s2 + (2 - y) s + 1 – 2y = 0

    2 – y > 0 and (1 – 2y) > 0

    y < 2 and \(y < \frac{1}{2}\)

    So, the required range of x and y are: x < 0 and \(y < \frac{1}{2}\)
  • Question 8
    2 / -0.33

    A system is represented by the following equation

    \(\ddot y\left( t \right) + 6\dot y\left( t \right) + 5y\left( t \right) = u\left( t \right)\)

    For the unit response of the system, the steady state value of the output is _______
    Solution

    Concept:

    Final value theorem:

    • A final value theorem allows the time domain behavior to be directly calculated by taking a limit of a frequency domain expression
    • Final value theorem states that the final value of a system can be calculated by

    \(f\left( \infty \right) = \mathop {\lim }\limits_{s \to 0} sF\left( s \right)\)

     Where F(s) is the Laplace transform of the function.

    • For the final value theorem to be applicable system should be stable in steady-state and for that real part of poles should lie on the left side of s plane.

    Initial value theorem:

    \(C\left( 0 \right) = \mathop {\lim }\limits_{t \to 0} c\left( t \right) = \mathop {\lim }\limits_{s \to \infty } sC\left( s \right)\)

    It is applicable only when the number of poles of C(s) is more than the number of zeros of C(s).

    Calculation:

    \(\ddot y\left( t \right) + 6\dot y\left( t \right) + 5y\left( t \right) = u\left( t \right)\)

    By applying Laplace transform

    \({s^2}y\left( s \right) + 6sy\left( s \right) + 5 = u\left( s \right)\)

    \(\Rightarrow \frac{{y\left( s \right)}}{{u\left( s \right)}} = \frac{1}{{{s^2} + 6s + 5}}\)

    For step input, the output of the system is

    \(y\left( s \right) = \frac{1}{{{s^2} + 6s + 5}} \cdot \frac{1}{s}\)

    By using final value theorem, the steady state value of the output is

    \( = \mathop {\lim }\limits_{s \to 0} s \cdot y\left( s \right)\)

    \(= \mathop {\lim }\limits_{s \to 0} s \cdot \frac{1}{{{s^2} + 6s + 5}} \cdot 1/s = \frac{1}{5} = 0.2\)

  • Question 9
    2 / -0.33

    The transfer function of a control system is given by

    \(\frac{{C\left( s \right)}}{{R\left( s \right)}} = \frac{{25}}{{{s^2} + 6s + 25}}\) 

    The first maximum value of the response occurs at a time tmax given by
    Solution

    tmax is nothing but the peak time.

    \({t_p} = \frac{{n\pi }}{{{\omega _d}}}\) 

    first maxima occur at n = 1

    \({t_p} = \frac{\pi }{{{\omega _d}}}\) 

    Given transfer function,

    \(\frac{{C\left( s \right)}}{{R\left( s \right)}} = \frac{{25}}{{{s^2} + 6s + 25}}\) 

    ω2n = 25 ⇒ ωn 5

    \(2\xi {\omega _n} = 6 \Rightarrow \xi = \frac{6}{{2 \times 5}} = 0.6\) 

    \({t_p} = \frac{\pi }{{{{\rm{\omega }}_d}}} = \frac{\pi }{{{{\rm{\omega }}_n}\sqrt {\left( {1 - {\xi ^2}} \right)} }}\) 

    \(= \frac{\pi }{{5\sqrt {1 - {{\left( {0.6} \right)}^2}} }} = \frac{\pi }{4}\) 

  • Question 10
    2 / -0.33

    For the transfer function, \(G\left( s \right) = \frac{{5\left( {s + 4} \right)}}{{s\left( {s + 0.25} \right)\left( {{s^2} + 10s + 25} \right)}}\), the values of the constant gain term and the highest corner frequency of the Bode plot respectively are:

    Solution

    \(G\left( s \right) = \frac{{5\left( {s + 4} \right)}}{{s\left( {s + 0.25} \right)\left( {{s^2} + 10s + 25} \right)}}\)

    \(= \frac{{5 \times 4\left( {1 + \frac{s}{4}} \right)}}{{0.25 \times 25 \times s \times \left( {1 + \frac{s}{{0.25}}} \right)\left( {1 + \frac{{10s}}{{25}} + \frac{{{s^2}}}{{25}}} \right)}}\)

    \(= \frac{{3.2\left( {1 + \frac{s}{4}} \right)}}{{s\left( {1 + \frac{s}{{0.25}}} \right)\left( {1 + \frac{{10s}}{{25}} + \frac{{{s^2}}}{{25}}} \right)}}\)

    Constant gain = 3.2

    Corner frequencies = 0.25, 4, 5

    Highest corner frequency = 5 rad/sec

  • Question 11
    2 / -0.33

    The principle of homogeneity and superposition are applied to

    Solution

    Superposition theorem states that for two signals additivity and homogeneity property must be satisfied and that is applicable for the LTI systems.

  • Question 12
    2 / -0.33

    The differential equation of a control system having input x(t) and output y(t) is given as 

    The output response of the system for unit step input is given by

    Solution

  • Question 13
    2 / -0.33

    The step response of a system is given by

    c(t) = 1 + 0.25 e-50t - 1.25e-10t

    The steady state gain of the transfer function in time constant form will be

    Solution

  • Question 14
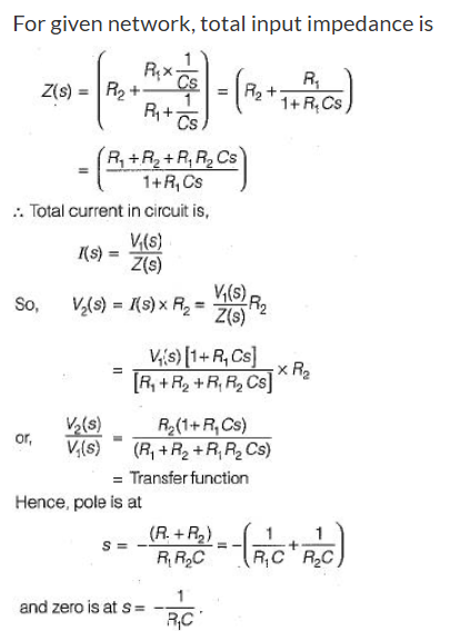
    2 / -0.33

    The poles and zeros of the transfer function  for the network shown below are located at

    Solution

  • Question 15
    2 / -0.33

    The pole-zero configuration of a transfer function is shown below:

    If the value of the transfer function at s = 1 is 3.2, the gain factor K is

    Solution

    From given pole-zero plot, transfer function is

  • Question 16
    2 / -0.33

    Consider the open-loop transfer function \(G\left( s \right)H\left( s \right) = \frac{K}{{s\left( {{s^2} + 6s + 25} \right)}}\). The angle of departure at the complex pole with positive imaginary part (angle measured in the anticlockwise direction and to be answered in between 0 and 360) in degrees is _______

    Solution

    \(G\left( s \right)H\left( s \right) = \frac{K}{{s\left( {{s^2} + 6s + 25} \right)}}\) 

    Poles: s = 0,s = -3 + 4j, -3 – 4j

    At s = -3 + 4j

    \(G\left( s \right)H\left( s \right) = \frac{K}{{\left( { - 3 + 4j} \right)\left( {{{\left( { - 3 + 4j} \right)}^2} + 6\left( { - 3 + 4j} \right) + 25} \right)}}\) 

    \( = \frac{K}{{\left( { - 3 + 4j} \right)\left( {9 - 16 - 12j - 18 + 24j + 25} \right)}}\) 

    \(= \frac{K}{{\left( { - 3 + 4j} \right)\left( {12j} \right)}}\) 

    \(= \frac{K}{{\left( { - 48 - j36} \right)}}\) 

    \(\angle G\left( s \right)H\left( s \right) = - \left[ {180 + {{\tan }^{ - 1}}\left( {\frac{{36}}{{48}}} \right)} \right]\) 

    = -216.86

    Angle of departure = 180 + (-216.86)

    = -36.86°

    = 323.14°

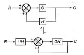
  • Question 17
    2 / -0.33

    Which one of the following block diagrams in options given is equivalent to the below shown block diagram?

    Solution

    The T.F. of the given block diagram can be reduced to:

    Its block diagram is shown below, where a closed loop feedback system is transformed into an unity feedback system and vice-versa,

  • Question 18
    2 / -0.33

    A certain linear time invariant system has the state and the output equations given below

    \(\left[ {\begin{array}{*{20}{c}}{{{\dot x}_1}}\\{{{\dot x}_2}}\end{array}} \right] = \left[ {\begin{array}{*{20}{c}}1&{ - 1}\\0&1\end{array}} \right]\left[ {\begin{array}{*{20}{c}}{{x_1}}\\{{x_2}}\end{array}} \right] + \left[ {\begin{array}{*{20}{c}}0\\1\end{array}} \right]u\)

    \(y = \left[ {1\;\;1} \right]\left[ {\begin{array}{*{20}{c}} {{x_1}}\\ {{x_2}} \end{array}} \right]\)

    If \(\left[ {\begin{array}{*{20}{c}} {{x_1}\left( 0 \right)}\\ {{x_2}\left( 0 \right)} \end{array}} \right] = \left[ {\begin{array}{*{20}{c}} 1\\ { - 1} \end{array}} \right]\)and u(0) = -1, then \(\frac{{dy}}{{dt}}\;at\;t = 0\) is ______
    Solution

    \(y = \left[ {1\;\;1} \right]\left[ {\begin{array}{*{20}{c}} {{x_1}}\\ {{x_2}} \end{array}} \right]\)

    y(t) = x1(t) + x2(t)

    By differentiating the above equation

    \(\frac{d}{{dt}}y\left( t \right) = \frac{d}{{dt}}{x_1}\left( t \right) + \frac{d}{{dt}}{x_2}\left( t \right)\)


    \(\left[ {\begin{array}{*{20}{c}} {{{\dot x}_1}\left( t \right)}\\ {{{\dot x}_2}\left( t \right)} \end{array}} \right] = \left[ {\begin{array}{*{20}{c}} 1&{ - 1}\\ 0&1 \end{array}} \right]\left[ {\begin{array}{*{20}{c}} {{x_1}}\\ {{x_2}} \end{array}} \right] + \left[ {\begin{array}{*{20}{c}} 0\\ 1 \end{array}} \right]u\)

    At t = 0

    \(\left[ {\begin{array}{*{20}{c}} {{{\dot x}_1}\left( 0 \right)}\\ {{{\dot x}_2}\left( 0 \right)} \end{array}} \right] = \left[ {\begin{array}{*{20}{c}} 1&{ - 1}\\ 0&1 \end{array}} \right]\left[ {\begin{array}{*{20}{c}} 1\\ { - 1} \end{array}} \right] + \left[ {\begin{array}{*{20}{c}} 0\\ 1 \end{array}} \right]\left[ { - 1} \right]\)
    \(= \left[ {\begin{array}{*{20}{c}} 2\\ { - 1} \end{array}} \right] + \left[ {\begin{array}{*{20}{c}} 0\\ { - 1} \end{array}} \right] = \left[ {\begin{array}{*{20}{c}} 2\\ { - 2} \end{array}} \right]\)

    Now, \(\frac{d}{{dt}}y\left( 0 \right) = \frac{d}{{dt}}{x_1}\left( 0 \right) + \frac{d}{{dt}}{x_2}\left( 0 \right)\)

    = ẋ1(0) + ẋ2(0)

    = 2 – 2 = 0 

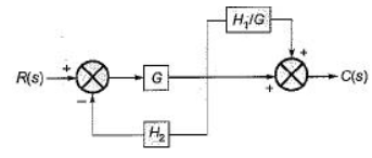
  • Question 19
    2 / -0.33

    The ratio C(s)/R(s) for the system shown in figure below is

    Solution

    Answer A is correct.

    Label the output of the first summing junction (the signal entering the block G1) as an intermediate node. The second summing junction receives two contributions coming from the first summing-node path: one through G1 and the other via the top branch (which is the block H2) that directly adds to the input of the second summing junction. Thus the combined gain seen by the blocks G2 and G3 is (G1 + H2).

    The forward path from the first summing junction to the output therefore equals G2 · G3 · (G1 + H2).

    There is a single feedback from the output back to the first summing junction through H1. This feedback multiplies the entire forward gain. Using the standard closed-loop formula for a single-loop negative feedback system, the closed-loop transfer function is the forward path divided by 1 + (loop gain). Here the loop gain is H1 · G2 · G3 · (G1 + H2).

    Hence

    C(s)/R(s) = G2 G3 (G1 + H2) / [1 + H1 G2 G3 (G1 + H2)].

  • Question 20
    2 / -0.33

    Consider a plant whose transfer function is \(\frac{2}{{s\left( {s + 4} \right)}}\). It is desired that a lead compensator is used to design a negative feedback closed loop system with this plant.

    The lead compensator needs to provide a maximum phase lead of 40° and this maximum phase lead angle should be provided at a frequency of 5 rad/sec.

    It is desired that the static velocity error constant of the compensated system to be 10.

    Then the transfer function of the lead compensator is
    Solution

    Concept:

    The transfer function of the phase controller is given by \(G\left( s \right)=\frac{1+aTs}{1+Ts}\)

    Where, a > 1 for phase lead controller

    a < 1 for phase lag controller

    Maximum phase lead/lag frequency \({{\omega }_{m}}=\frac{1}{T\sqrt{a}}\)

    Maximum phase lead/lag \({{\phi }_{m}}={{\tan }^{-1}}\left( \frac{a-1}{2\sqrt{a}} \right)={{\sin }^{-1}}\left( \frac{a-1}{a+1} \right)\)

    Calculation:

    Maximum phase lead = 40°

    \( \Rightarrow {\sin ^{ - 1}}\left( {\frac{{a - 1}}{{a + 1}}} \right) = 40^\circ \)

    \( \Rightarrow \frac{{a - 1}}{{a + 1}} = 0.643\)

    ⇒ a – 1 = 0.643a + 0.643

    ⇒ a = 4.6

    The maximum phase lead angle should be provided at a frequency of 5 rad/sec.

    \( \Rightarrow \frac{1}{{T\sqrt a }} = 5\)

    \( \Rightarrow \frac{1}{{T\sqrt {4.6} }} = 5\)

    ⇒ T = 0.093

    Now, the transfer function is \({G_c}\left( s \right) = \frac{{1 + aTs}}{{1 + Ts}}\)

    \( = K\frac{{1 + 0.428s}}{{1 + 0.093s}}\)

    \( = K'\frac{{s + 2.3}}{{s + 10.7}}\)

    Now, the open-loop transfer function of the compensated system is,

    \(G\left( s \right){G_c}\left( s \right) = \frac{2}{{s\left( {s + 4} \right)}} \times K'\frac{{s + 2.3}}{{s + 10.7}}\)

    Velocity error coefficient, \({K_v} = \mathop {\lim }\limits_{s \to 0} s \times \frac{2}{{s\left( {s + 4} \right)}} \times K'\frac{{s + 2.3}}{{s + 10.7}} = K'\left( {\frac{2}{4}} \right)\left( {\frac{{2.3}}{{10.7}}} \right)\)

    \( \Rightarrow 10 = K'\left( {\frac{2}{4}} \right)\left( {\frac{{2.3}}{{10.7}}} \right)\)

    ⇒ K’ = 93

    Now, the transfer function of the lead compensator is

    \({G_c}\left( s \right) = \frac{{93\left( {s + 2.3} \right)}}{{\left( {s + 10.7} \right)}}\)

  • Question 21
    2 / -0.33

    The transfer function C(s)/R(s) for the system described by the block diagram shown below is given by:

    Solution

    On shifting the take-off point beyond block G, we have the reduced block diagram as shown below:

    On further reducing the above block diagram, we get the block diagram as shown below.

  • Question 22
    2 / -0.33

    The transfer matrix for the multi input-multi output (MIMO) system represented by the block diagram shown below is given by

    Match List-I with List-II and select the correct answer using the codes given below the lists:

    Solution

  • Question 23
    2 / -0.33

    Directions For Questions

    Consider the three block diagrams A, B and C shown below.

    ...view full instructions

    Which one of the following statements is correct in respect of the above block diagrams?

    Solution

    Shifting the take-off point after block G3 in block diagram-A, the reduced block diagram will be as shown below.

    Thus, the block diagrams A and B are equivalent to each other.

    On further reducing the block diagram-B, we get the block diagram-C. Hence, all the three block diagrams A, B and C are equivalent to each other,

  • Question 24
    2 / -0.33

    The poles of the transfer function C(s)/R(s) of the system represented by the block diagram shown below are located at

    Solution

  • Question 25
    2 / -0.33

    The unity feedback system has forward path transfer function.

    \(G\left( s \right) = \frac{K}{{s\left( {s + 1} \right)\left( {s + 2} \right)}}\)

    What is the maximum value of K that will make its gain margin zero?
    Solution

    Gain margin \(= 20\log \left( {\frac{1}{{G\left( s \right)H\left( s \right)}}} \right)\) dB at ω = ωpc

    Where ωpc = phase cross over frequency.

    At ω = ωpc, ∠G(s) H(s) = -180°

    \(G\left( s \right)H\left( s \right) = \frac{K}{{s\left( {s + 1} \right)\left( {s + 2} \right)}}\)

    \(G\left( {j\omega } \right)H\left( {j{\rm{\omega }}} \right) = \frac{k}{{j{\rm{\omega }}\left( {1 + j{\rm{\omega }}} \right)\left( {2 + j{\rm{\omega }}} \right)}}\)

    ∠G(jωpc) H(jωpc) = -180°

    \(\Rightarrow - 90 - {\tan ^{ - 1}}\left( {\rm{\omega }} \right) - {\tan ^{ - 1}}\left( {\frac{{\rm{\omega }}}{2}} \right) = - 180\)

    \(\Rightarrow {\tan ^{ - 1}}\left( {\rm{\omega }} \right) + ta{n^{ - 1}}\left( {\frac{{\rm{\omega }}}{2}} \right) = 90\)

    \(\Rightarrow {\tan ^{ - 1}}\left( {\frac{{{\rm{\omega }} + \frac{{\rm{\omega }}}{2}}}{{1 - {\rm{\omega }}.\frac{{\rm{\omega }}}{2}}}} \right) = 90^\circ\)

    \(\Rightarrow 1 - \frac{{{{\rm{\omega }}^2}}}{2} = 0\)

    \(\Rightarrow {{\rm{\omega }}_{PC}} = \sqrt 2 \;\;rad/sec\)

    \(\left| {G\left( {j{{\rm{\omega }}_{pc}}} \right)H\left( {j{{\rm{\omega }}_{pc}}} \right)} \right| = \left| {\frac{K}{{\left( {j\sqrt 2 } \right)\left( {1 + j\sqrt 2 } \right)\left( {2 + j\sqrt 2 } \right)}}} \right|\;\)

    \(= \frac{K}{{\sqrt 2 \sqrt 3 \sqrt 6 }} = \frac{K}{6}\)

    \(GM = 20\log \left( {\frac{1}{{\frac{K}{6}}}} \right) = 20\log \left( {\frac{6}{K}} \right)\)

    Given that GM is zero

    \(\Rightarrow 20\log \left( {\frac{6}{K}} \right) = 0\)

    \(\Rightarrow \frac{6}{K} = 1 \Rightarrow K = 6\)
Self Studies
User
Question Analysis
  • Correct -

  • Wrong -

  • Skipped -

My Perfomance
  • Score

    -

    out of -
  • Rank

    -

    out of -
Re-Attempt Weekly Quiz Competition
Self Studies Get latest Exam Updates
& Study Material Alerts!
No, Thanks
Self Studies
Click on Allow to receive notifications
Allow Notification
Self Studies
Self Studies Self Studies
To enable notifications follow this 2 steps:
  • First Click on Secure Icon Self Studies
  • Second click on the toggle icon
Allow Notification
Get latest Exam Updates & FREE Study Material Alerts!
Self Studies ×
Open Now