Self Studies

Physics Test 197

Result Self Studies

Physics Test 197
  • Score

    -

    out of -
  • Rank

    -

    out of -
TIME Taken - -
Self Studies

SHARING IS CARING

If our Website helped you a little, then kindly spread our voice using Social Networks. Spread our word to your readers, friends, teachers, students & all those close ones who deserve to know what you know now.

Self Studies Self Studies
Weekly Quiz Competition
  • Question 1
    4 / -1

    The electrostatic force between the metal plates of an isolated parallel plate capacitor C having a charge Q and area A, is

    Solution

    For isolated capacitor, charge Q= constant.

    Electrostatic force,

     

  • Question 2
    4 / -1

    Suppose the charge of a proton and an electron differ slightly. One of them is -e, the other is (e+Δe). If the net of electrostatic force and gravitational force between two hydrogen atoms placed at a distance d (much greater than atomic size) apart is zero, then Δe is of the order of

    [given ma of hydrogen mh = 1.67×10−27kg]

    Solution

     

  • Question 3
    4 / -1

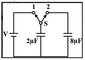
    A capacitor of 2 μF is charged as shown in the diagram. When the switch S is turned to position 2, the percentage of its stored energy dissipated is

    Solution

     

  • Question 4
    4 / -1

    An electric dipole is placed at an angle of 30° with an electric field intensity 2 × 105NC−1.It experiences a torque equal to 4 N m. The charge on the dipole, if the dipole length is 2 cm, is

    Solution

     

  • Question 5
    4 / -1

    People living at sea level have around 5 million RBC per cubic millimeter of their blood whereas those living at an altitude to 5400 metres have around 8 million. This is because at high altitude

    Solution

    At high altitudes composition of air remains almost same as at sea level, but density (barometric pressure) of air gradually decreases due to which arterial pO2 is also decreased (hypoxemia). High altitudes has complex conditions to which human body has to acclimatize. Number of red blood cells per unit volume of blood is likely to be higher in a person living at high altitudes. This is in response to the air being less dense at high altitude. More number of red blood cells are needed to trap O2 from rarefied air having low pO2 (partial pressure of oxygen).

     

  • Question 6
    4 / -1

    An electric bulb is rated 220 V–100 W. The power consumed by it when operated on 110 V will be

    Solution

     

  • Question 7
    4 / -1

    A (100 W, 200 V) bulb is connected to a 160 V power supply. The power consumption would be

    Solution

    Power = 100 W, Voltage = 200 V

    The resistance of bulb = V2 / P = 200 x 200 / 100 = 400Ω

    When the bulb is connected across 160 V

    Current in bulb = 160 / 400 A,

    Power consumption = VI = 160 × 160 / 400 = 64 W

     

  • Question 8
    4 / -1

    The relation between current and drift velocity is

    Solution

    As we know, I = neAvd

    Therefore, I/A = nevd

     

  • Question 9
    4 / -1

    A conductor wire having 1029 free electrons carries a current of 20 A. If the cross-section of the wire is 1 mm2, then the drift velocity of electrons will be

    Solution

     

  • Question 10
    4 / -1

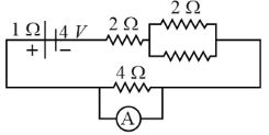
    The current passing through the ideal ammeter, in the circuit given below, is

    Solution

    To calculate the equivalent resistance for the ammeter, the resistors of 2 Ω and 2 Ω are in parallel with each other and then the whole circuit has 3 resistances in series.

    Now, internal resistance of the battery, that is 1 Ω, resistance of 2 Ω and resistance R = 1 Ω, are all in series.

    Req for series is the sum of all the resistances.

    ∴ Req = 1 Ω + 2 Ω + 1 Ω = 4 Ω

    Hence current, I = V / R

    I = 4 / 4 = 1 A

     

Self Studies
User
Question Analysis
  • Correct -

  • Wrong -

  • Skipped -

My Perfomance
  • Score

    -

    out of -
  • Rank

    -

    out of -
Re-Attempt Weekly Quiz Competition
Self Studies Get latest Exam Updates
& Study Material Alerts!
No, Thanks
Self Studies
Click on Allow to receive notifications
Allow Notification
Self Studies
Self Studies Self Studies
To enable notifications follow this 2 steps:
  • First Click on Secure Icon Self Studies
  • Second click on the toggle icon
Allow Notification
Get latest Exam Updates & FREE Study Material Alerts!
Self Studies ×
Open Now